进入框架页面 

29. 两点间温度控制

1. 实验任务

用可调电阻调节电压值作为模拟温度的输入量,当温度低于30℃时,发出长嘀报警声和光报警,当温度高于60℃时,发出短嘀报警声和光报警。测量的温度范围在0-99℃。

2. 电路原理图

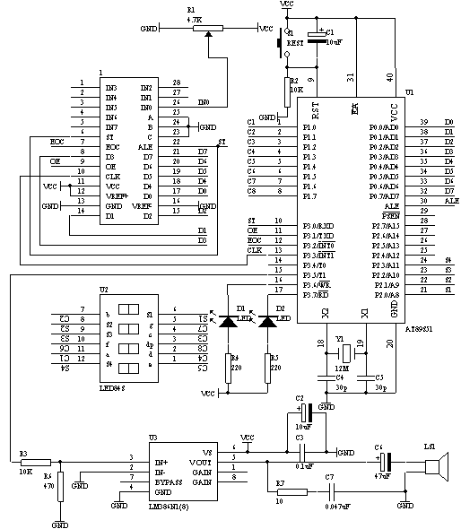
图4.29.1

3. 系统板上硬件连线

a) 把“单片机系统”区域中的P1.0-P1.7与“动态数码显示”区域中的ABCDEFGH端口用8芯排线连接。

b) 把“单片机系统”区域中的P2.0-P2.7与“动态数码显示”区域中的S1S2S3S4S5S6S7S8端口用8芯排线连接。

c) 把“单片机系统”区域中的P3.0与“模数转换模块”区域中的ST端子用导线相连接。

d) 把“单片机系统”区域中的P3.1与“模数转换模块”区域中的OE端子用导线相连接。

e) 把“单片机系统”区域中的P3.2与“模数转换模块”区域中的EOC端子用导线相连接。

f) 把“单片机系统”区域中的P3.3与“模数转换模块”区域中的CLK端子用导线相连接。

g) 把“模数转换模块”区域中的A2A1A0端子用导线连接到“电源模块”区域中的GND端子上。

h) 把“模数转换模块”区域中的IN0端子用导线连接到“三路可调电压模块”区域中的VR1端子上。

i) 把“单片机系统”区域中的P0.0-P0.7用8芯排线连接到“模数转换模块”区域中的D0D1D2D3D4D5D6D7端子上。

j) 把“单片机系统”区域中的P3.6、P3.7用导线分别连接到“八路发光二极管指示模块”区域中的L1、L2上。

k) 把“单片机系统”区域中的P3.5用导线连接到“音频放大模块”区域中的SPK IN端口上。

l) 把“音频放大模块“区域中的SPK OUT插入音频喇叭。

4. 汇编源程序
(略)
5.C语言源程序
#include <AT89X52.H>

unsigned char code dispbitcode[]={0xfe,0xfd,0xfb,0xf7,
0xef,0xdf,0xbf,0x7f};
unsigned char code dispcode[]={0x3f,0x06,0x5b,0x4f,0x66,
0x6d,0x7d,0x07,0x7f,0x6f,0x00};
unsigned char dispbuf[8]={10,10,10,10,10,10,0,0};
unsigned char dispcount;
unsigned char getdata;
unsigned int temp;
unsigned char i;

sbit ST=P3^0;
sbit OE=P3^1;
sbit EOC=P3^2;
sbit CLK=P3^3;
sbit LED1=P3^6;
sbit LED2=P3^7;
sbit SPK=P3^5;
bit lowflag;
bit highflag;
unsigned int cnta;
unsigned int cntb;
bit alarmflag;


void main(void)
{
ST=0;
OE=0;
TMOD=0x12;
TH0=0x216;
TL0=0x216;
TH1=(65536-500)/256;
TL1=(65536-500)%256;
TR1=1;
TR0=1;
ET0=1;
ET1=1;
EA=1;
ST=1;
ST=0;
while(1)
{
if((lowflag==1) &&(highflag==0))
{
LED1=0;
LED2=1;
}
else if((highflag==1) && (lowflag==0))
{
LED1=1;
LED2=0;
}
else
{
LED1=1;
LED2=1;
}
}
}

void t0(void) interrupt 1 using 0
{
CLK=~CLK;
}

void t1(void) interrupt 3 using 0
{

TH1=(65536-500)/256;
TL1=(65536-500)%256;

if(EOC==1)
{
OE=1;
getdata=P0;
OE=0;
temp=getdata*25;
temp=temp/64;
i=6;
dispbuf[0]=10;
dispbuf[1]=10;
dispbuf[2]=10;
dispbuf[3]=10;
dispbuf[4]=10;
dispbuf[5]=10;
dispbuf[6]=0;
dispbuf[7]=0;
while(temp/10)
{
dispbuf[i]=temp%10;
temp=temp/10;
i++;
}
dispbuf[i]=temp;
if(getdata<77)
{
lowflag=1;
highflag=0;
}
else if(getdata>153)
{
lowflag=0;
highflag=1;
}
else
{
lowflag=0;
highflag=0;
}
ST=1;
ST=0;
}

P1=dispcode[dispbuf[dispcount]];
P2=dispbitcode[dispcount];
dispcount++;
if(dispcount==8)
{
dispcount=0;
}

if((lowflag==1) && (highflag==0))
{
cnta++;
if(cnta==800)
{
cnta=0;
alarmflag=~alarmflag;
}
if(alarmflag==1)
{
SPK=~SPK;
}
}
else if((lowflag==0) && (highflag==1))
{
cntb++;
if(cntb==400)
{
cntb=0;
alarmflag=~alarmflag;
}
if(alarmflag==1)
{
SPK=~SPK;
}
}
else
{
alarmflag=0;
cnta=0;
cntb=0;
}
}


以上资料来自于互联网!编辑整理:五一电子加油站;网址:http://51dz.com
欢迎光临五一电子商城!免费学习电子技术,面向全国邮购电子元件、实验套件!