| 注意:访问本站需要Cookie和JavaScript支持!请设置您的浏览器! • 打开购物车 • 查看留言 • 付款方式 • 联系我们 |
![]() |
| 首页 | 电子入门 | 学单片机 | 免费资源 | 下载中心 | 商品列表 | 象棋在线 | 在线绘图 | 加盟五一 | 加入收藏 | 设为首页 |
| 选择分类:当前分类——学单片机 相关联或者相类似的文章: 仿真器基础知识 (693) LED显示屏亮度和颜色的调整方法(691) 11. 00-59秒计时器(利用软件延时)(691) 在转动车轮上显示图案(AVR做的风火轮)(691) 键盘子程序(AVR)(685) 数字电路设计的抗干扰考虑(676) 谈谈单片机C语言编程中不经意间的一个小错误(669) VB串口编程的几个问题(659) 33.4×4键盘及8位数码管显示构成的电子密码锁 (656) 16. 定时计数器T0作定时应用技术(二)(656) DS1820使用中注意事项(650) 12. 可预置可逆4位计数器(649) 软件模拟PT2272解码程序(643) 关于单片机硬件抗干扰(635) 1. 闪烁灯 (634) 用单片机控制步进电机 (631) 站长评论:《怎么学习单片机》(631) 用软驱步进电机制作CNC三维工作平台(628) 学习用两个单片机之间通讯(623) 单片机C51编程规范 (621) 首页 前页 后页 尾页 本站推荐: | 12. 可预置可逆4位计数器 1. 实验任务
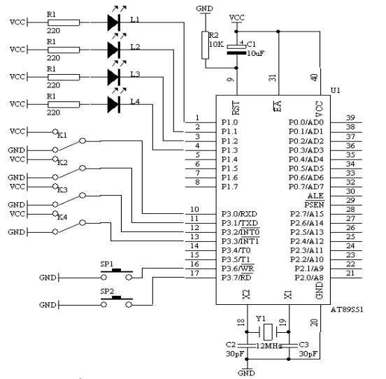
利用AT89S51单片机的P1.0-P1.3接四个发光二极管L1-L4,用来指示当前计数的数据;用P1.4-P1.7作为预置数据的输入端,接四个拨动开关K1-K4,用P3.6/WR和P3.7/RD端口接两个轻触开关,用来作加计数和减计数开关。具体的电路原理图如下图所示
2. 电路原理图
![]() 图4.12.1
3. 系统板上硬件连线
(1. 把“单片机系统”区域中的P1.0-P1.3端口用8芯排线连接到“八路发光二极管指示模块”区域中的L1-L4上;要求:P1.0对应着L1,P1.1对应着L2,P1.2对应着L3,P1.3对应着L4;
(2. 把“单片机系统”区域中的P3.0/RXD,P3.1/TXD,P3.2/INT0,P3.3/INT1用导线连接到“四路拨动开关”区域中的K1-K4上;
(3. 把“单片机系统”区域中的P3.6/WR,P3.7/RD用导线连接到“独立式键盘”区域中的SP1和SP2上;
4. 程序设计内容
(1. 两个独立式按键识别的处理过程;
(2. 预置初值读取的问题
(3.
LED输出指示 5. 程序框图
图4.12.2
6. 汇编源程序
COUNT EQU 30H
ORG 00H
START: MOV A,P3
ANL A,#0FH
MOV COUNT,A
MOV P1,A
SK2: JB P3.6,SK1
LCALL DELY10MS
JB P3.6,SK1
INC COUNT
MOV A,COUNT
CJNE A,#16,NEXT
MOV A,P3
ANL A,#0FH
MOV COUNT,A
NEXT: MOV P1,A
WAIT: JNB P3.6,WAIT
LJMP SK2
SK1: JB P3.7,SK2
LCALL DELY10MS
JB P3.7,SK2
DEC COUNT
MOV A,COUNT
CJNE A,#0FFH,NEX
MOV A,P3
ANL A,#0FH
MOV COUNT,A
NEX: MOV P1,A
WAIT2: JNB P3.7,WAIT2
LJMP SK2
DELY10MS: MOV R6,#20
MOV R7,#248
D1: DJNZ R7,$
DJNZ R6,D1
RET
END
7. C语言源程序
#include <AT89X51.H>
unsigned char curcount;
void delay10ms(void)
{
unsigned char i,j;
for(i=20;i>0;i--)
for(j=248;j>0;j--);
}
void main(void)
{
curcount=P3 & 0x0f;
P1=~curcount;
while(1)
{
if(P3_6==0)
{
delay10ms();
if(P3_6==0)
{
if(curcount>=15)
{
curcount=15;
}
else
{
curcount++;
}
P1=~curcount;
while(P3_6==0);
}
}
if(P3_7==0)
{
delay10ms();
if(P3_7==0)
{
if(curcount<=0)
{
curcount=0;
}
else
{
curcount--;
}
P1=~curcount;
while(P3_7==0);
}
}
}
} 1、 本站不保证以上观点正确,就算是本站原创作品,本站也不保证内容正确。 2、如果您拥有本文版权,并且不想在本站转载,请书面通知本站立即删除并且向您公开道歉! |
|
本站协议 |
版权信息 |
关于我们 |
本站地图 |
营业执照 |
发票说明 |
付款方式 |
联系方式
深圳市宝安区西乡五壹电子商行——粤ICP备16073394号-1;地址:深圳西乡河西四坊183号;邮编:518102 E-mail:51dz$163.com($改为@);Tel:(0755)27947428 工作时间:9:30-12:00和13:30-17:30和18:30-20:30,无人接听时可以再打手机13537585389 |