| 注意:访问本站需要Cookie和JavaScript支持!请设置您的浏览器! • 打开购物车 • 查看留言 • 付款方式 • 联系我们 |
![]() |
| 首页 | 电子入门 | 学单片机 | 免费资源 | 下载中心 | 商品列表 | 象棋在线 | 在线绘图 | 加盟五一 | 加入收藏 | 设为首页 |
| 选择分类:当前分类——学单片机 相关联或者相类似的文章: 三十分钟一个小时学会单片机(9045) 什么是单片机?单片机有什么用? (8723) 如何用STC板将代码烧录进IC(8681) 怎样安装AT51编程板的USB转串口软件?(8206) 送给单片机爱好者——LED在线编码器(1814) 送给单片机爱好者——LED点阵在线编码器(1544) 单片机系统中的汉字显示(1492) 带语音报数功能的抢答器(1489) 用VB进行串口实时数据采集(1347) 用AT89C2051设计超声波测距仪(1171) 小小电子闹钟 生活学习良伴(1165) DS1820测温原理(1129) 几句代码实现控制摄像头(转)(1117) STC单片机选型指南(1111) 自制PIC单片机编程器(1105) USB转串口芯片CH340(1010) 快速学习单片机之黄金机会!(1010) 告戒购单片机开发实验板初学者(970) 新款实用旋转LED显示屏A(890) 使用市售 USB转RS232串口与PLC通信的测试报告 (881) 首页 前页 后页 尾页 本站推荐: | 5. 广告灯(利用取表方式) 1. 实验任务
利用取表的方法,使端口P1做单一灯的变化:左移2次,右移2次,闪烁2次(延时的时间0.2秒)。
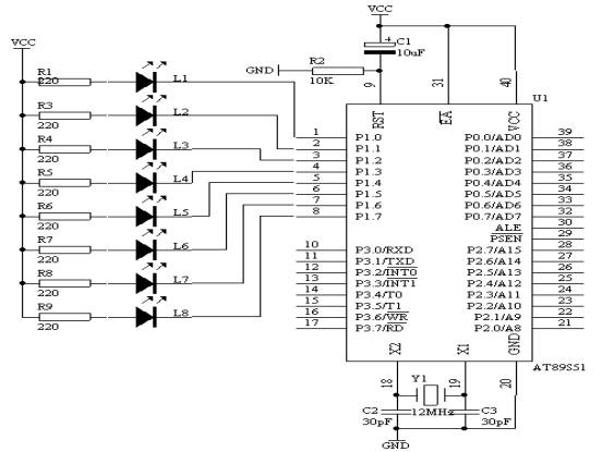
2. 电路原理图
图4.5.1
3. 系统板上硬件连线
把“单片机系统”区域中的P1.0-P1.7用8芯排线连接到“八路发光二极管指示模块”区域中的L1-L8端口上,要求:P1.0对应着L1,P1.1对应着L2,……,P1.7对应着L8。
4. 程序设计内容
在用表格进行程序设计的时候,要用以下的指令来完成
(1). 利用MOV DPTR,#DATA16的指令来使数据指针寄存器指到表的开头。
(2). 利用MOVC A,@A+DPTR的指令,根据累加器的值再加上DPTR的值,就可以使程序计数器PC指到表格内所要取出的数据。
因此,只要把控制码建成一个表,而利用MOVC 工,@A+DPTR做取码的操作,就可方便地处理一些复杂的控制动作,取表过程如下图所示:
5.
程序框图 图4.5.2
6. 汇编源程序
ORG 0
START: MOV DPTR,#TABLE
LOOP: CLR A
MOVC A,@A+DPTR
CJNE A,#01H,LOOP1
JMP START
LOOP1: MOV P1,A
MOV R3,#20
LCALL DELAY
INC DPTR
JMP LOOP
DELAY: MOV R4,#20
D1: MOV R5,#248
DJNZ R5,$
DJNZ R4,D1
DJNZ R3,DELAY
RET
TABLE: DB 0FEH,0FDH,0FBH,0F7H
DB 0EFH,0DFH,0BFH,07FH
DB 0FEH,0FDH,0FBH,0F7H
DB 0EFH,0DFH,0BFH,07FH
DB 07FH,0BFH,0DFH,0EFH
DB 0F7H,0FBH,0FDH,0FEH
DB 07FH,0BFH,0DFH,0EFH
DB 0F7H,0FBH,0FDH,0FEH
DB 00H, 0FFH,00H, 0FFH
DB 01H
END
7. C语言源程序
#include <AT89X51.H>
unsigned char code table[]={0xfe,0xfd,0xfb,0xf7,
0xef,0xdf,0xbf,0x7f,
0xfe,0xfd,0xfb,0xf7,
0xef,0xdf,0xbf,0x7f,
0x7f,0xbf,0xdf,0xef,
0xf7,0xfb,0xfd,0xfe,
0x7f,0xbf,0xdf,0xef,
0xf7,0xfb,0xfd,0xfe,
0x00,0xff,0x00,0xff,
0x01};
unsigned char i;
void delay(void)
{
unsigned char m,n,s;
for(m=20;m>0;m--)
for(n=20;n>0;n--)
for(s=248;s>0;s--);
}
void main(void)
{
while(1)
{
if(table[i]!=0x01)
{
P1=table[i];
i++;
delay();
}
else
{
i=0;
}
}
} 1、 本站不保证以上观点正确,就算是本站原创作品,本站也不保证内容正确。 2、如果您拥有本文版权,并且不想在本站转载,请书面通知本站立即删除并且向您公开道歉! |
|
本站协议 |
版权信息 |
关于我们 |
本站地图 |
营业执照 |
发票说明 |
付款方式 |
联系方式
深圳市宝安区西乡五壹电子商行——粤ICP备16073394号-1;地址:深圳西乡河西四坊183号;邮编:518102 E-mail:51dz$163.com($改为@);Tel:(0755)27947428 工作时间:9:30-12:00和13:30-17:30和18:30-20:30,无人接听时可以再打手机13537585389 |