| 注意:访问本站需要Cookie和JavaScript支持!请设置您的浏览器! • 打开购物车 • 查看留言 • 付款方式 • 联系我们 |
![]() |
| 首页 | 电子入门 | 学单片机 | 免费资源 | 下载中心 | 商品列表 | 象棋在线 | 在线绘图 | 加盟五一 | 加入收藏 | 设为首页 |
| 选择分类:当前分类——常用资料 相关联或者相类似的文章: 24V供电CRT高压电源(575) LED显示屏测试方法(573) 基于UC3842/3843的隔离单端反激式开关电源(569) 的220V大功率逆变电源(567) ISD1700 优质语音录放电路 (567) 将低功耗设计进行到底! (565) 存储器电路引脚及主要特性(564) LM386 低电压音频功率放大器(558) ;实时时钟DS1302(汇编)(556) 一种简单的可控硅好坏判断方法(551) 单片60秒模拟语音录放芯片--APR9600(548) 3000VA/DC12V→AC230V逆变器电原理图(543) DS1302资料(543) 直流输入如何得到220V/1-2W的交流电(543) 常用三极管资料查询2(537) 常用三极管资料查询1(537) 摩托罗拉168VA手机汽车充电器剖析 (536) protel 使用的60个问题和解答(532) 再度出击,20元打造经典PC遥控器!(531) 用CD4046作镍镉电池快速充电器(529) 首页 前页 后页 尾页 本站推荐: | DC12V→AC220V逆变电路
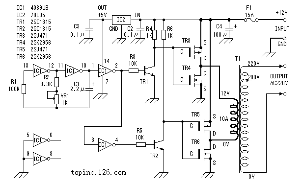
这里介绍的逆变器(见图)主要由MOS 场效应管,普通电源变压器构成。其输出功率取决于MOS 场效应管和电源变压器的功率,免除了烦琐的变压器绕制,适合电子爱好者业余制作中采用。下面介绍该逆变器的工作原理及制作过程。
工作原理
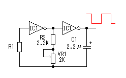
这里采用六反相器CD4069构成方波信号发生器。电路中R1是补偿电阻,用于改善由于电源电压的变化而引起的振荡频率不稳。电路的振荡是通过电容C1充放电完成的。其振荡频率为f=1/2.2RC。图示电路的最大频率为:fmax=1/2.2×3.3×103×2.2×10-6=62.6Hz;最小频率fmin=1/2.2×4.3×103×2.2×10-6=48.0Hz。由于元件的误差,实际值会略有差异。其它多余的反相器,输入端接地避免影响其它电路。 场效应管驱动电路。
由于方波信号发生器输出的振荡信号电压最大振幅为0~5V,为充分驱动电源开关电路,这里用TR1、TR2将振荡信号电压放大至0~12V。如图4所示。 MOS场效应管电源开关电路。
图5 MOS 场效应管也被称为MOS FET, 既Metal Oxide Semiconductor Field Effect Transistor(金属氧化物半导体场效应管)的缩写。它一般有耗尽型和增强型两种。本文使用的为增强型MOS 场效应管,其内部结构见图5。它可分为NPN型PNP型。NPN型通常称为N沟道型,PNP型也叫P沟道型。由图可看出,对于N沟道的场效应管其源极和漏极接在N型半导体上,同样对于P沟道的场效应管其源极和漏极则接在P型半导体上。我们知道一般三极管是由输入的电流控制输出的电流。但对于场效应管,其输出电流是由输入的电压(或称电场)控制,可以认为输入电流极小或没有输入电流,这使得该器件有很高的输入阻抗,同时这也是我们称之为场效应管的原因。
图6 为解释MOS 场效应管的工作原理,我们先了解一下仅含有一个P—N结的二极管的工作过程。如图6所示,我们知道在二极管加上正向电压(P端接正极,N端接负极)时,二极管导通,其PN结有电流通过。这是因为在P型半导体端为正电压时,N型半导体内的负电子被吸引而涌向加有正电压的P型半导体端,而P型半导体端内的正电子则朝N型半导体端运动,从而形成导通电流。同理,当二极管加上反向电压(P端接负极,N端接正极)时,这时在P型半导体端为负电压,正电子被聚集在P型半导体端,负电子则聚集在N型半导体端,电子不移动,其PN结没有电流通过,二极管截止。
图7a 图7b 对于场效应管(见图7),在栅极没有电压时,由前面分析可知,在源极与漏极之间不会有电流流过,此时场效应管处与截止状态(图7a)。当有一个正电压加在N沟道的MOS 场效应管栅极上时,由于电场的作用,此时N型半导体的源极和漏极的负电子被吸引出来而涌向栅极,但由于氧化膜的阻挡,使得电子聚集在两个N沟道之间的P型半导体中(见图7b),从而形成电流,使源极和漏极之间导通。我们也可以想像为两个N型半导体之间为一条沟,栅极电压的建立相当于为它们之间搭了一座桥梁,该桥的大小由栅压的大小决定。图8给出了P沟道的MOS 场效应管的工作过程,其工作原理类似这里不再重复。
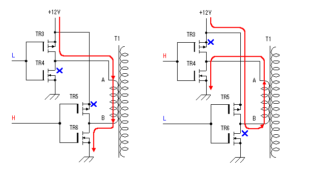
图8 下面简述一下用C-MOS场效应管(增强型MOS 场效应管)组成的应用电路的工作过程(见图9)。电路将一个增强型P沟道MOS场效应管和一个增强型N沟道MOS场效应管组合在一起使用。当输入端为低电平时,P沟道MOS场效应管导通,输出端与电源正极接通。当输入端为高电平时,N沟道MOS场效应管导通,输出端与电源地接通。在该电路中,P沟道MOS场效应管和N沟道MOS场效应管总是在相反的状态下工作,其相位输入端和输出端相反。通过这种工作方式我们可以获得较大的电流输出。同时由于漏电流的影响,使得栅压在还没有到0V,通常在栅极电压小于1到2V时,MOS场效应管既被关断。不同场效应管其关断电压略有不同。也正因为如此,使得该电路不会因为两管同时导通而造成电源短路。
图9 由以上分析我们可以画出原理图中MOS场效应管电路部分的工作过程(见图10)。工作原理同前所述。这种低电压、大电流、频率为50Hz的交变信号通过变压器的低压绕组时,会在变压器的高压侧感应出高压交流电压,完成直流到交流的转换。这里需要注意的是,在某些情况下,如振荡部分停止工作时,变压器的低压侧有时会有很大的电流通过,所以该电路的保险丝不能省略或短接。
图10
制作要点
图11
图12
图13
逆变器的性能测试
假设灯泡的电阻不随电压变化而改变。因为R灯=V2/W=2102/60=735Ω,所以在电压为208V时,W=V2/R=2082/735=58.9W。由此可折算出电压和功率的关系。通过测试,我们发现当输出功率约为100W时,输入电流为10A。此时输出电压为200V。逆变器电源效率特性见图15b。图16为逆变器连续100W负载时,场效应管的温升曲线图。图17为不同负载时输出波形图,供大家制作是参考。
图15a 图15b
图16、17 1、 本站不保证以上观点正确,就算是本站原创作品,本站也不保证内容正确。 2、如果您拥有本文版权,并且不想在本站转载,请书面通知本站立即删除并且向您公开道歉! |
|
本站协议 |
版权信息 |
关于我们 |
本站地图 |
营业执照 |
发票说明 |
付款方式 |
联系方式
深圳市宝安区西乡五壹电子商行——粤ICP备16073394号-1;地址:深圳西乡河西四坊183号;邮编:518102 E-mail:51dz$163.com($改为@);Tel:(0755)27947428 工作时间:9:30-12:00和13:30-17:30和18:30-20:30,无人接听时可以再打手机13537585389 |