注意:访问本站需要Cookie和JavaScript支持!请设置您的浏览器! 打开购物车 查看留言付款方式联系我们
初中电子 单片机教材一 单片机教材二
搜索上次看见的商品或文章:
商品名、介绍 文章名、内容
首页 电子入门 学单片机 免费资源 下载中心 商品列表 象棋在线 在线绘图 加盟五一 加入收藏 设为首页
本站推荐:
红外热释电处理芯片BISS0001应用资料
文章长度[4574] 加入时间[2007/1/4] 更新时间[2026/4/27 3:19:52] 级别[0] [评论] [收藏]

作者:未知 来源:网络

  BISS0001是一款高性能的传感信号处理集成电路。静态电流极小,配以热释电红外传感器和少量外围元器件即可构成被动式的热释电红外传感器。广泛用于安防、自控等领域能。
  特 点
  
CMOS工艺
  数模混合
  具有独立的高输入阻抗运算放大器
  内部的双向鉴幅器可有效抑制干扰
  内设延迟时间定时器和封锁时间定时器
  采用16脚DIP封装
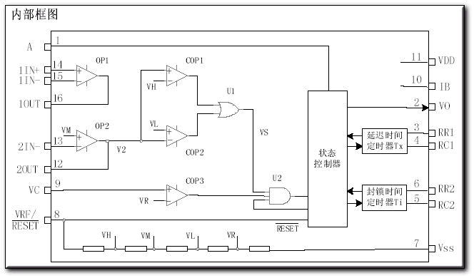
  管脚图

  管脚说明
引脚  名称 I/O 功能说明
1 A I 可重复触发和不可重复触发选择端。当A为“1”时,允许重复触发;反之,不可重复触发
2 VO O 控制信号输出端。由VS的上跳前沿触发,使Vo输出从低电平跳变到高电平时视为有效触发。在输出延迟时间Tx之外和无VS的上跳变时,Vo保持低电平状态。
3 RR1 -- 输出延迟时间Tx的调节端
4 RC1 -- 输出延迟时间Tx的调节端
5 RC2 -- 触发封锁时间Ti的调节端
6 RR2 -- 触发封锁时间Ti的调节端
7 VSS -- 工作电源负端
8 VRF I 参考电压及复位输入端。通常接VDD,当接“0”时可使定时器复位
9 VC I 触发禁止端。当VcVR时允许触发(VR≈0.2VDD)
10 IB -- 运算放大器偏置电流设置端
11 VDD -- 工作电源正端
12 2OUT O 第二级运算放大器的输出端
13 2IN- I 第二级运算放大器的反相输入端
14 1IN+ I 第一级运算放大器的同相输入端
15 1IN- I 第一级运算放大器的反相输入端
16 1OUT O 第一级运算放大器的输出端




  工作原理
  
BISS0001是由运算放大器、电压比较器、状态控制器、延迟时间定时器以及封锁时间定时器等构成的数模混合专用集成电路。

  以下图所示的不可重复触发工作方式下的波形,来说明其工作过程。 不可重复触发工作方式下的波形。
  首先,根据实际需要,利用运算放大器OP1组成传感信号预处理电路,将信号放大。然后耦合给运算放大器OP2,再进行第二级放大,同时将直流电位抬高为VM(≈0.5VDD)后,将输出信号V2送到由比较器COP1和COP2组成的双向鉴幅器,检出有效触发信号Vs。由于VH≈0.7VDD、VL≈0.3VDD,所以,当VDD=5V时,可有效抑制±1V的噪声干扰,提高系统的可靠性。 COP3是一个条件比较器。当输入电压VcVR时,COP3输出为高电平,进入延时周期。 当A端接“0”电平时,在Tx时间内任何V2的变化都被忽略,直至Tx时间结束,即所谓不可重复触发工作方式。当Tx时间结束时,Vo下跳回低电平,同时启动封锁时间定时器而进入封锁周期Ti。在Ti时间内,任何V2的变化都不能使Vo跳变为有效状态(高电平),可有效抑制负载切换过程中产生的各种干扰。

  以下图所示的可重复触发工作方式下的波形,来说明其工作过程。 可重复触发工作方式下的波形在Vc=“0”、A=“0”期间,信号Vs不能触发Vo为有效状态。在Vc=“1”、A=“1”时,Vs可重复触发Vo为有效状态,并可促使Vo在Tx周期内一直保持有效状态。在Tx时间内,只要Vs发生上跳变,则Vo将从Vs上跳变时刻起继续延长一个Tx周期;若Vs保持为“1”状态,则Vo一直保持有效状态;若Vs保持为“0”状态,则在Tx周期结束后Vo恢复为无效状态,并且,同样在封锁时间Ti时间内,任何Vs的变化都不能触发Vo为有效状态。
  应用线路图

               
BISS0001的热释电红外无线感应器应用电路图
  上图中,运算放大器OP1将热释电红外传感器的输出信号作第一级放大,然后由C3耦合给运算放大器OP2进行第二级放大,再经由电压比较器COP1和COP2构成的双向鉴幅器处理后,检出有效触发信号Vs去启动延迟时间定时器,输出信号Vo经晶体管T1放大驱动继电器去接通负载。
  上图中,R3为光敏电阻,用来检测环境照度。当作为照明控制时,若环境较明亮,R3的电阻值会降低,使9脚的输入保持为低电平,从而封锁触发信号Vs。SW1是工作方式选择开关,当SW1与1端连通时,芯片处于可重复触发工作方式;当SW1与2端连通时,芯片则处于不可重复触发工作方式。输出延迟时间Tx由外部的R9和C7的大小调整,值为Tx≈24576xR9C7;触发封锁时间Ti由外部的R10和C6的大小调整,值为Ti≈24xR10C6。

1、 本站不保证以上观点正确,就算是本站原创作品,本站也不保证内容正确。
2、如果您拥有本文版权,并且不想在本站转载,请书面通知本站立即删除并且向您公开道歉! 以上可能是本站收集或者转载的文章,本站可能没有文章中的元件或产品,如果您需要类似的商品请 点这里查看商品列表!
本站协议 | 版权信息 |  关于我们 |  本站地图 |  营业执照 |  发票说明 |  付款方式 |  联系方式
深圳市宝安区西乡五壹电子商行——粤ICP备16073394号-1;地址:深圳西乡河西四坊183号;邮编:518102
E-mail:51dz$163.com($改为@);Tel:(0755)27947428
工作时间:9:30-12:00和13:30-17:30和18:30-20:30,无人接听时可以再打手机13537585389