| 注意:访问本站需要Cookie和JavaScript支持!请设置您的浏览器! • 打开购物车 • 查看留言 • 付款方式 • 联系我们 |
![]() |
| 首页 | 电子入门 | 学单片机 | 免费资源 | 下载中心 | 商品列表 | 象棋在线 | 在线绘图 | 加盟五一 | 加入收藏 | 设为首页 |
| 选择分类:当前分类——常用资料 相关联或者相类似的文章: 74系列芯片资料 (11661) 怎样安装AT51编程板的USB转串口软件?(8206) 步进电机驱动(1422) 自制大功率高效逆变模块 (1399) 部分万用表电路图集(1197) 应用资料-数字电路IC全系列名称查询表(1136) 场效应管工作原理(1125) 什么是超级电容(1061) 可调型汽车蓄电池充电器 (1031) 全新最简纯绿的绘电路图软件(1008) 标准手机锂电池充电器(978) DC6V可充电应急灯电路(970) DS1302 涓流充电时钟保持芯片的原理与应用(940) 微型停电应急灯电路图里面的二极管(929) 常用运算放大器(929) 鉴别可控硅三个极的方法(926) ++ 高精度电压监视器 ++(917) ++ 555电路速查 ++(909) RS232C接脚与对连线(908) 单片机编码、解码2262(892) 首页 前页 后页 尾页 本站推荐: | 光耦CRT的简易测试
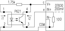
本文介绍的测试方法可直接测试光电耦合器的重要参数——电流传输比CRT。 1、 本站不保证以上观点正确,就算是本站原创作品,本站也不保证内容正确。 2、如果您拥有本文版权,并且不想在本站转载,请书面通知本站立即删除并且向您公开道歉! |
|
本站协议 |
版权信息 |
关于我们 |
本站地图 |
营业执照 |
发票说明 |
付款方式 |
联系方式
深圳市宝安区西乡五壹电子商行——粤ICP备16073394号-1;地址:深圳西乡河西四坊183号;邮编:518102 E-mail:51dz$163.com($改为@);Tel:(0755)27947428 工作时间:9:30-12:00和13:30-17:30和18:30-20:30,无人接听时可以再打手机13537585389 |