| 注意:访问本站需要Cookie和JavaScript支持!请设置您的浏览器! • 打开购物车 • 查看留言 • 付款方式 • 联系我们 |
![]() |
| 首页 | 电子入门 | 学单片机 | 免费资源 | 下载中心 | 商品列表 | 象棋在线 | 在线绘图 | 加盟五一 | 加入收藏 | 设为首页 |
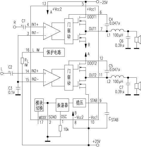
| 选择分类:当前分类——音响功放 相关联或者相类似的文章: 简易音频集成功率放大器(1423) ++ 30W功率放大器的制作 +(933) C语言在单片机开发中的应用 (741) 巧用STK3048A制作前置放大(718) 音响发烧“土炮”的自画像(搞笑)(494) 18W D类单片音频放大器TDA7481(326) 自制2.1声道多媒体音响系统(262) 100W纯直流高保真功放(196) Hi-Fi配音控制放大器制作(176) 双50W数字功放TDA8902J(146) LM386功放集成电路的应用(127) 国外汽车音响的新技术(44) TDA2030A装的18W单声道功放板(-8) 图示均衡器的使用技巧(-14) Hi-Fi功放设计要点(-34) 用TDA7294推动的功放(-72) LM1875带音调双22W功放板(-120) 首页 前页 后页 尾页 本站推荐: | 双50W数字功放TDA8902J 2003年,第6期,类别:音响技术 TDA8902J是飞利浦公司最近推出的一款2×50W立体声数字功放IC。它的主要技术指标:电源±10V~±40V,典型工作电压为±25V;静态电流约35mA;当电源电压为±25V,负载为8Ω时,输出功率2×30W;当电源电压为±30V时,可输出2×50W;信号频率f为1kHz、输出1W时,失真为0.1%,总谐波失真为0.2%;电压增益为30dB;开关频率为500kHz。它很适合用于高级音响设备中作功放。 1、 本站不保证以上观点正确,就算是本站原创作品,本站也不保证内容正确。 2、如果您拥有本文版权,并且不想在本站转载,请书面通知本站立即删除并且向您公开道歉! |
|
本站协议 |
版权信息 |
关于我们 |
本站地图 |
营业执照 |
发票说明 |
付款方式 |
联系方式
深圳市宝安区西乡五壹电子商行——粤ICP备16073394号-1;地址:深圳西乡河西四坊183号;邮编:518102 E-mail:51dz$163.com($改为@);Tel:(0755)27947428 工作时间:9:30-12:00和13:30-17:30和18:30-20:30,无人接听时可以再打手机13537585389 |