注意:访问本站需要Cookie和JavaScript支持!请设置您的浏览器! 打开购物车 查看留言付款方式联系我们
初中电子 单片机教材一 单片机教材二
搜索上次看见的商品或文章:
商品名、介绍 文章名、内容
首页 电子入门 学单片机 免费资源 下载中心 商品列表 象棋在线 在线绘图 加盟五一 加入收藏 设为首页
本站推荐:
具有识别功能的电子门铃
文章长度[1007] 加入时间[2006/7/1] 更新时间[2026/1/28 22:06:44] 级别[3] [评论] [收藏]

2003年,第9期,类别:电子制作


    本文介绍的门铃电路具有以下独特功能,当自家人敲门时,它会放出一段优美的音乐,但是,当客人来访时,它则发出另一种声音。
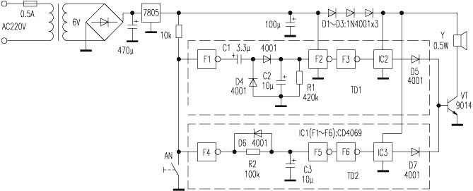
    电路见图,它具有两路触发通道TD1和TD2。平时,当门铃按钮AN未被按下时,电路处于静态,音乐片IC2、IC3均无触发脉冲门铃不能发声。但按下AN时,又分两种情况:
    1. AN被持续按住时(时间约为1s),此时,非门F1、F4均输出一个持续时间为1s的高电平脉冲。对TD1而言,F1输出高电平脉冲通过C1对C2充电,由于C1容量远小于C2,C2上电压不能被一次充至高电平,仍为低电平。此低电平经F2、F3两次倒相整形后仍为低电平,IC2无触发脉冲,故IC2不工作;对TD2而言,F4输出高电平通过R2对C3充电约1s,C3上电压上升为高电平,IC3有触发脉冲而工作,门铃发声。
    2. AN被短促地按动数次(约3~4次),F1与F4均输出3~4个断续的高电平脉冲,对TD1而言,C2被断续充电,由图可知其充电快而放电慢,C2可以在数个脉冲内充至高电平,F3输出高电平触发脉冲,IC2工作;对TD2而言,当F4输出高电平期间,C3被充电,当F4输出为低电平时,C3通过二极管放电,在数个断续脉冲过后,仍不能被充至高电平,IC3不工作。
    使用时,必须建立一个约定:自家人敲门时,应快速按动门铃按钮AN 3~4次,而客人到来时,一般的习惯是持续按下门铃按钮一段时间(1s左右)。这样,门铃将发出不同的声音,就可区别是自家人还是来客。
    编者:该门铃的识别功能能否实现?

                                     湖北  木子



1、 本站不保证以上观点正确,就算是本站原创作品,本站也不保证内容正确。
2、如果您拥有本文版权,并且不想在本站转载,请书面通知本站立即删除并且向您公开道歉! 以上可能是本站收集或者转载的文章,本站可能没有文章中的元件或产品,如果您需要类似的商品请 点这里查看商品列表!
本站协议 | 版权信息 |  关于我们 |  本站地图 |  营业执照 |  发票说明 |  付款方式 |  联系方式
深圳市宝安区西乡五壹电子商行——粤ICP备16073394号-1;地址:深圳西乡河西四坊183号;邮编:518102
E-mail:51dz$163.com($改为@);Tel:(0755)27947428
工作时间:9:30-12:00和13:30-17:30和18:30-20:30,无人接听时可以再打手机13537585389